VV 1RH – Horizontálny výmenník tepla
Výmenník tepla VV-1RH je určený pre ohrev vykurovacej vody a TÚV. Môže byť použitý i v ďalších prípadoch, kde ohrievajúcou a ohrievanou látkou je voda.
Je to jednoduchý výmenník horizontálneho vyhotovenia s výhrevnou vložkou z rovných nerezových alebo Cu-rúrok a pevnými rúrkovnicami, ktorých dva články tvoria jeden celok. Hlavy sú snímateľné.
Do sústavy sa osadzuje v jednotlivo, alebo v sériovo spojenej dvojici s tokom ohrievajúcej vody v plášti.
Výmenník sa dodáva vo vyhotovení zodpovedajúcom tlaku 2,5/2,5MPa a teplote 200/200°C

|
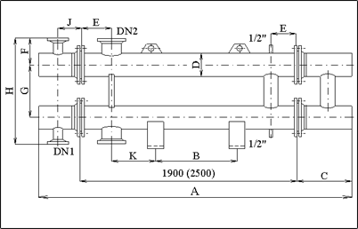
Svetlosť D
|
S [m²]
|
A
[mm]
|
B
[mm]
|
C
[mm]
|
D
[mm]
|
E
[mm]
|
F
[mm]
|
G
[mm]
|
H
[mm]
|
J
[mm]
|
K
[mm]
|
DN1/PN
|
DN2/PN
|
M
[kg]
|
|
VV 1RH
|
||||||||||||||
|
DN50
|
1
|
2904
|
1800
|
200
|
57
|
100
|
100
|
170
|
370
|
120
|
250
|
32/40
|
32/40
|
64
|
|
DN65
|
1,7
|
2920
|
1780
|
210
|
76
|
110
|
125
|
190
|
440
|
125
|
250
|
40/40
|
50/40
|
98
|
|
DN100
|
3,5
|
2980
|
1740
|
240
|
108
|
130
|
155
|
240
|
550
|
145
|
250
|
50/40
|
80/40
|
185
|
|
DN125
|
5,5
|
3040
|
1600
|
270
|
133
|
150
|
180
|
280
|
640
|
160
|
300
|
65/40
|
100/40
|
256
|
|
DN150
|
7,8
|
3080
|
1560
|
290
|
159
|
170
|
200
|
320
|
720
|
170
|
300
|
80/40
|
125/40
|
353
|
Príklad objednávania
|
jeden kus výmenníka
|
||
|
Typ nádoby
PV 2UH |
Svetlosť
DN 300 |
Výhrevná plocha
6,3 m2 |
|
batéria
|
||
|
Dvojica výmenníkov
2 x PV 2UH |
Svetlosť
DN 300 |
Výhrevná plocha
6,3 m2 |
|
Pri objednávaní náhradnej výhrevnej vložky je potrebné uviesť:
|
||
|
1. typ výmenníka - svetlosť - výhrevná plocha
2. rok výroby
3. výrobné číslo
|
||






































